Nordpeis Odense -takka on kulmaluukkuinen kiertoilmatakka. Odense on nykyaikainen ja tyylikkään linjakas.
Takan alaosassa on sivussa koristeellinen ja käytännöllinen halkotila. Tuli saadaan näkymään koko huoneeseen tehokkaasti suuren luukun ja korkean palotilan ansiosta.
Odense on parhaimmillaan kulmaan tai seinälle asennettuna. Takka on oivallinen tilansäästäjä pienen lattiapinta-alansa takia. Samalla takan tuli näkyy kahdelta puolelta.
Unelmauuneilta takan lupapalvelut sekä vanhan tulisijan purku ja uuden asennus yli 30 vuoden kokemuksella – myös osamaksulla jopa 12 kk korottomalla maksuajalla!

Takan pinta on erikoisbetonia, joka voidaan pinnoittaa asennuksen jälkeen halutulle värisävylle maalaamalla. Näin saat takasta juuri sopivan sinun huoneeseesi!
Lisävarusteena saatavilla:
– Tuhkalaatikko
– PowerStone -lämpömakasiini (69 kg)
– Lattian kipinäsuojalasi
– Paloilman liitäntäsarja
– Savuhormin liitossarja
Tekniset tiedot Nordpeis Odense Basic:
Korkeus (mm): 1790
Leveys (mm): 500
Syvyys (mm): 500
Hormiliitos: Päältä, Takaa
Liitäntäkorkeus päältä (mm): 1355
Liitäntäkorkeus takaa (mm): 1475
Paino: 253 kg
Nimellisteho: 4–8 kW
Polttopuiden max. pituus: 30 cm
Savukanavaliitäntä: Ø 150 mm
Palamisilmaliitäntä: Kyllä
Hyötysuhde: 80 %
Nordpeis Odense Basic mitat
Nordpeis Odense Basic suojaetäisyydet
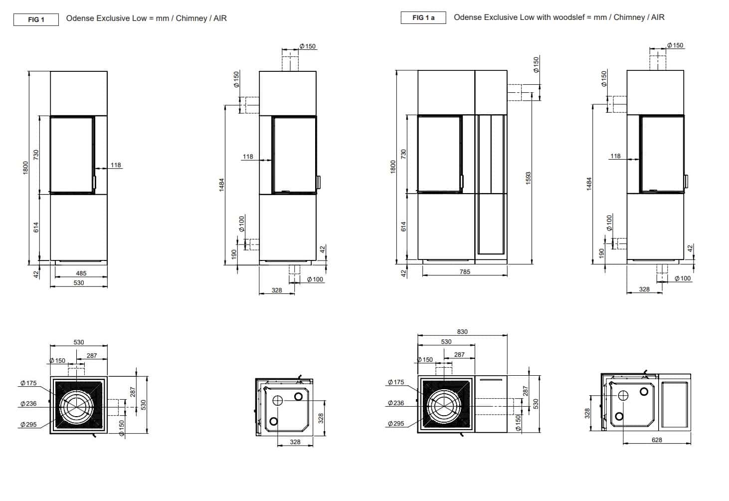
Nordpeis Odense Exclusive
Nordpeis Odense Exclusive -takka on kaunis ja elegantti tulisija, jonka takkasydämessä on suuri kulmaluukku luoden hyvän näkyvyyden tulen loimuun.
Nordpeis Odense -takan luukun peittää pinta-asennettu lasi, joka korostaa takan ilmettä ja antaa upean liekkikuvan. Sokkeliin piilotettu ilmanotto säilyttää rungon yhtenäisen tyylikkään ilmeen ilman erillisiä näkyviä ilmanottoaukkoja. Voit valita matalan tai korkean Exclusive-mallin. Takan viereen on lisävarusteena saatavissa erillinen halkotila. Valitse sokkeliin lisävarusteena LED-valot, kun haluat tehdä takasta entistä upeamman.
- Tyylikäs muotoilu
Ei näkyviä saumoja, puhdas ilme ja piilotettu ilmanotto sokkelissa
- Kattokorkea malli
Valitse korkea tai matala malli. Korkea malli ulottuu kattoon asti ja antaa veistoksellisen ilmeen
- Monipuoliset sijoitusvaihtoehdot
Odense Exclusive on kulmatakka. Se tarjoaa useita sijoitusvaihtoehtoja, koska se voidaan sijoittaa myös suoralle seinälle. Lisävarusteena on saatavana puuhylly
- Eksklusiivinen lasi ja kylmäkahva
Pinta-asennettu lasi ja puiden helpon ja turvallisen lisäämisen mahdollistava matta kylmäkahva soft touch -pinnoitteella, joka ei kuumene palamisen aikana.
- Ainutlaatuinen LED-valo sokkelissa
Valitse sokkelin LED-valot, kun haluat tehdä takasta täysin uniikin. Alareunan valo antaa takalle kelluvan ilmeen

Lisävarusteena saatavilla:
– Tuhkalaatikko
– Lattian kipinäsuojalasi
– Paloilman liitäntäsarja
– Savuhormin liitossarja
– Halkotila matala/korkea
– LED-valosarja
Takat toimitetaan tehtaalta aina betonivalmiina eli maalaamattomina, mutta voidaan asennuksen jälkeen haluttaessa maalata toivotun väriseksi.
Tekniset tiedot Odense Exclusive matala / Odense Exclusive korkea:
Korkeus (mm): 1800 / 2380
Leveys (mm): 530
Syvyys (mm): 530
Hormiliitos: Päältä, Takaa
Paino: 254 / 335 kg
Nimellisteho: 6 kW
Polttopuiden max. pituus: 30 cm
Savukanavaliitäntä: Ø 150 mm
Palamisilmaliitäntä: Kyllä
Hyötysuhde: 80 %
Nordpeis Odense Exclusive matala mitat
Nordpeis Odense Exclusive matala suojaetäisyydet
Nordpeis Odense Exclusive korkea mitat
Nordpeis Odense Exclusive korkea suojaetäisyydet
Hinnat
Hinnat sisältävät alv 25,5 %
HUOM! Tuotekohtaisiin hintoihin lisätään AINA kulloinkin voimassa oleva rahtimaksu.
Nordpeis Odense
| Odense, musta karmi (S-31A ), Concrete ShapeStone | 4 740 € |
Lisävarusteet Nordpeis Odense:
| lattialevy kirkasta lasia | 320 € |
| PowerStone-lämpömakasiini (69kg). Vain takaliitäntä! | 242 € |
| tuhkalaatikko | 150 € |
| paloilmaliitäntä: putki 100mm ja kondenssieriste | 150 € |
| paloilmaliitäntä: sokkelin/seinän läpivientisarja | 89 € |
| Betonimaali | 43 € |
Nordpeis Odense Exclusive
| Odense Exclusive | 4 990 € |
| Odense Exclusive Korkea | 5 090 € |
Lisävarusteet Nordpeis Odense Exclusive:
| Odense Exclusive Halkotila | 440 € |
| Odense Exclusive Korkea Halkotila | 650 € |
| Odense Exclusive Suojaseinäsarja | 195 € |
| Odense Exclusive Korkea Suojaseinäsarja | 195 € |
| lattialevy kirkasta lasia | 320 € |
| LED-valot Odense-takkaan | 330 € |
| tuhkalaatikko | 150 € |
| paloilmaliitäntä: putki 100mm ja kondenssieriste | 150 € |
| paloilmaliitäntä: sokkelin/seinän läpivientisarja | 89 € |
| Betonimaali | 43 € |
Valmistajan kotisivut: https://nordpeis.fi/